Επιλέξτε κατηγορία

Εφαρμογές της θερμοδυναμικής.

Θέρμανση

Η θέρμανση ενός σώματος γίνεται με προσαγωγή θερμότητας σε αυτό.

Η ποιο διαδεδομένη μέθοδος παραγωγής θερμικής ενέργειας είναι η καύση. Μια εξώθερμη αντίδραση που παράγει σημαντικά ποσά θερμότητας. Οι αντλίες θερμότητας, οι ηλεκτρικές αντιστάσεις και άλλες μέθοδοι θέρμανσης είναι επίσης αρκετά διαδεδομένες.

Όπως προείπαμε προκειμένου να υπάρξει μεταφορά θερμότητας από ένα σώμα σε ένα άλλο πρέπει να υπάρχει διαφορά θερμοκρασίας.

Για την θέρμανση ενός χώρου π.χ. θερμαίνουμε τα καλοριφέρ σε θερμοκρασίες 60-70οC. Λόγω διαφοράς θερμοκρασίας η θερμότητα από τα καλοριφέρ μεταφέρεται (με μεταφορά) στον αέρα του χώρου ο οποίος με την σειρά του θερμαίνεται. Για την θέρμανση μιας κατσαρόλας νερού θερμαίνουμε μια ηλεκτρική αντίσταση σε θερμοκρασίες 250-300οC. Με τον ίδιο τρόπο η θερμότητα μεταφέρεται στην επιφάνεια της κατσαρόλας και στη συνέχεια στο νερό.

By Rugby471 & Bios (original) - Own work, File:Radiator op blauw-wit-gestreepte tegels.JPG, CC BY-SA 3.0, https://commons.wikimedia.org/w/index.php?curid=2442633

Κίνηση.

Η μετατροπή της θερμικής ενέργειας σε κινητική είναι λίγο ποιο πολύπλοκη. Εδώ αρκετά χρήσιμη είναι η ιδιότητα των αερίων να διαστέλλονται σημαντικά όταν θερμαίνονται.

Στο παρακάτω σχήμα βλέπουμε την βασική αρχή λειτουργίας των Μηχανών αυτών.

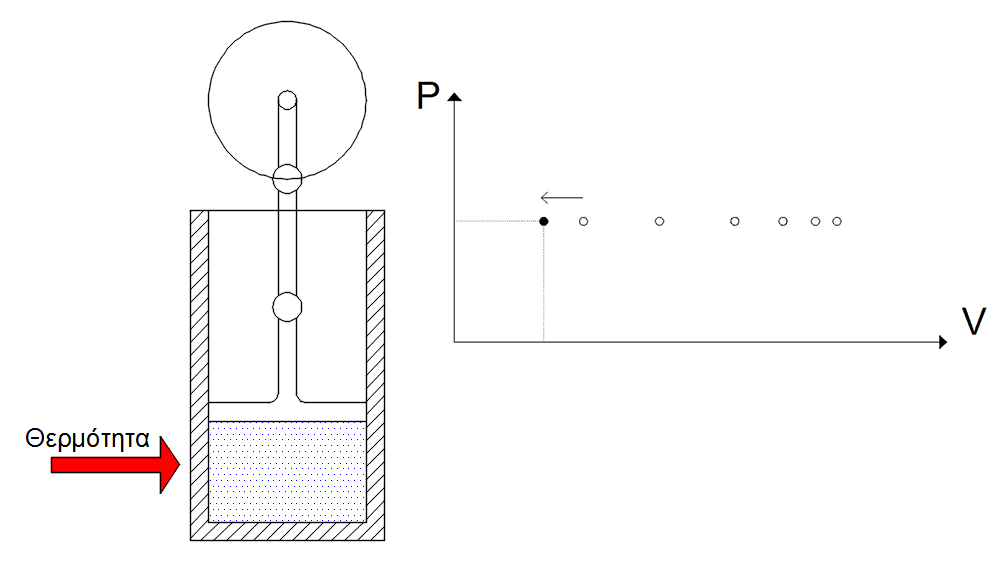
Έχουμε ένα δοχείο του οποίου το ένα άκρο είναι κινητό. Στο δοχείο περιέχεται ένα αέριο στο οποίο προσδίδουμε θερμότητα. Καθώς η θερμοκρασία του αερίου αυξάνει, αυξάνει και ο όγκος του. Η πίεση στο δοχείο παραμένει σταθερή.

Αυτό οδηγεί στην μετακίνηση του κινητού τοιχώματος του δοχείου. Η θερμική ενέργεια μόλις μετατράπηκε σε κινητική.

Το φαινόμενο αυτό βέβαια δεν μπορεί να συνεχιστεί επ’άπειρον. Μετά από ένα σημείο όση θερμότητα και να προσδώσουμε στο αέριο η μεταβολή του όγκου είναι μικρή. Και φυσικά δεν μπορούμε να προσδίδουμε συνεχώς θερμότητα καθώς από ένα σημείο και μετά οι θερμοκρασίες γίνονται πολύ μεγάλες.

Το πρόβλημα λύνεται αν το κινητό τοίχωμα του δοχείου εκτελούσε παλινδρομική κίνηση. Έτσι συνδέοντας το με ένα έμβολο και την κατάλληλη διάταξη η παλινδρομική κίνηση μπορεί να μετατραπεί σε κυκλική. Για να πραγματοποιήσει παλινδρομική κίνηση το τοίχωμα μια πρώτη προσέγγιση είναι να αφαιρέσουμε την θερμότητα που του προσδώσαμε ώστε να επανέλθει στην αρχική του θέση. Στη συνέχεια μπορούμε να το αναθερμάνουμε κ.ο.κ.

Οι ιδιότητες (πίεση – θεοκρασία – όγκος) του αερίου στον κύλινδρο καθώς θερμαίνεται και ψύχεται μεταβάλλονται συνεχώς. Στο συγκεκριμένο κύκλο το αέριο θερμαίνεται και ψύχεται υπό σταθερή πίεση. Αυτό και σύμφωνα με την καταστατική εξίσωση των ιδανικών αερίων, οδηγεί σε αύξηση και μείωση του όγκου του. Οι μεταβολές αυτές (όπως φαίνεται και στο διάγραμμα P-V) ακολουθούν μια επαναλαμβανόμενη διαδρομή με κάθε περιστροφή. Τέτοιου είδους επαναλαμβανόμενες μεταβολές ονομάζονται θερμοδυναμικοί κύκλοι. Υπάρχουν αρκετοί θερμοδυναμικοί κύκλοι ο καθένας από τους οποίους έχει την κατάλληλη εφαρμογή.

Αν και με την ποιο πάνω διάταξη φαινομενικά έχουμε λύσει το πρόβλημα, στην πραγματικότητα η συσκευή δεν θα δουλέψει. Ο λόγος είναι ότι ο θερμοδυναμικός κύκλος που ακολουθεί το αέριο δεν παράγει καθόλου έργο. Αυτό μπορεί να βασιστεί στο γεγονός ότι (αγνοώντας τις απώλειες) όλη η θερμική ενέργεια που προσδίδεται στο αέριο στην φάση της διαστολής αφαιρείται από αυτό στην φάση της συστολής. Έτσι καθόλου θερμική ενέργεια δεν δαπανάται για την παραγωγή έργου.

Για την δημιουργία μιας πραγματικής μηχανής υπάρχει λίγο διαφορετική προσέγγιση. Η διαδικασία βασίζεται κατά πολύ στο φαινόμενο που μόλις περιγράψαμε. Ένα αέριο σε ένα δοχείο θερμαίνεται και στη συνέχεια ψύχεται κάνοντας ένα κινητό τοίχωμα του δοχείου να κινείται παλινδρομικά. Η κίνηση αυτή μέσω ενός εμβόλου και στρόφαλου μετατρέπεται σε κινητική (κυκλική κίνηση ενός άξονα) η οποία στη συνέχεια μπορεί να χρησιμοποιηθεί.

Η διαφορά είναι ότι οι μεταβολές του αερίου σε πίεση θερμοκρασία και όγκο ακολουθούν μία διαφορετική διαδρομή προκειμένου να παραχθεί έργο. Το αέριο ακολουθεί δηλαδή διαφορετικό θερμοδυναμικό κύκλο. Σε ένα διάγραμμα P-V οι καταστατικές μεταβολές του αερίου είναι όπως παρακάτω.

Ο παραπάνω θερμοδυναμικός κύκλος ήταν ο πρώτος που εφαρμόστηκε σε μηχανές εσωτερικής καύσης από τον Nikolaus August Otto και ονομάζεται .... κύκλος του Otto.

Συνοπτικά ο κύκλος περιλαμβάνει 4 στάδια.

Ψύξη και αντλίες θερμότητας.

Σε αντίθεση με την θέρμανση που χρησιμοποιεί την καύση οι ενδόθερμες χημικές αντιδράσεις δεν είναι τόσο διαδεδομένες για την απορρόφηση θερμότητας, δηλαδή την ψύξη. Αν και χρησιμοποιούνται σε μικρή κλίμακα απαιτούν μεγάλο ποσό ενέργειας προκειμένου να ξεκινήσουν, οι πρώτες ύλες δεν είναι τόσο άφθονες και η όλη διαδικασία δεν είναι βιώσιμη , πρακτική και οικονομική.

Υπάρχει μια ποιο εύκολη λύση.
Να μεταφέρουμε θερμότητα από ένα σώμα με χαμηλή προς ένα σώμα με υψηλή θερμοκρασία. Ο δεύτερος νόμος της θερμοδυναμικής το επιτρέπει αυτό μόνο με δαπάνη επιπλέον ενέργειας.

Οι συσκευές που το υλοποιούν λέγονται αντλίες θερμότητας σε παραλληλισμό με τις αντλίες νερού. Καταναλώνουν ενέργεια προκειμένου να μεταφέρουν θερμότητα από χαμηλή προς υψηλή θερμοκρασία όπως οι αντλίες νερού καταναλώνουν ενέργεια για να ανεβάσουν το νερό από χαμηλό υψόμετρο σε υψηλό.

Οι αντλίες θερμότητας αν και χρησιμοποιούνται κυρίως στην ψύξη μπορούν να χρησιμοποιηθούν και για την θέρμανση. Η θερμική ενέργεια που αντλούν από τα σώματα χαμηλής θερμοκρασίας, μπορεί να χρησιμοποιηθεί για την θέρμανση σωμάτων υψηλής θερμοκρασίας. Το χειμώνα π.χ. μια αντλία θερμότητας μπορεί να αντλήσει την θερμότητα από το (χαμηλής θερμοκρασία) περιβάλλον και με αυτήν να θερμάνει το (υψηλότερης θερμοκρασίας) εσωτερικό των σπιτιών.

Αντλία Θερμότητας

image by Carrirer

Τα πλεονεκτήματα των αντλιών θερμότητας σε σχέση με τις αντίστοιχες χημικές αντιδράσεις (ενδόθερμες και εξώθερμες) είναι:

Η λειτουργία των αντλιών θερμότητας βασίζεται και αυτή σε θερμοδυναμικούς κύκλους. Το υλικό το οποίο χρησιμοποιείται λέγεται ψυκτικό μέσο και είναι κατάλληλα επιλεγμένο ώστε να έχει τις ιδιότητες που χρειαζόμαστε.

Μια σημαντική ιδιότητα είναι η χαμηλή θερμοκρασία εξαέρωσης τους (βρασμός). Τα ψυκτικά μέσα σε πίεση 1 bar (μια ατμόσφαιρα) έχουν τυπικά σημείο βρασμού κάτω από -40oC.

Ο κύκλος ψύξης έχει ως εξής:

1. Το ψυκτικό μέσο αρχικά περνάει μέσα από έναν συμπιεστή ο οποίος συνήθως δουλεύει με ηλεκτρισμό. Ο συμπιεστής αυξάνει την πίεσή του, μειώνει τον όγκο του και αυξάνει κατά πολύ την θερμοκρασία του. Το ψυκτικό μέσο εδώ συνήθως βρίσκεται σε αέρια φάση με πολύ υψηλή θερμοκρασία και πίεση.

2. Στη συνέχεια οδηγείται στον συμπυκνωτή. Ο συμπυκνωτής είναι ένας εναλλάκτης. Στον συμπυκνωτή το ψυκτικό μέσο έχοντας υψηλή θερμοκρασία μεταφέρει θερμότητα προς το περιβάλλον και κατά συνέπεια ψύχεται και υγροποιείται.

3. Μετά τον συμπυκνωτή το υγρό πλέον ψυκτικό μέσο οδηγείται στην βαλβίδα εκτόνωσης. Εκεί γίνεται απότομη και γρήγορη αύξηση του όγκου με ταυτόχρονη πτώση της πίεσης. έτσι ώστε η θερμοκρασία του να πέφτει σημαντικά.

4. Το μέσο οδηγείται προς τον εξατμιστή. Έχοντας σημαντικά χαμηλότερη θερμοκρασία στον εξατμιστή το ψυκτικό μέσο απορροφά θερμότητα και αεριοποιείται αυξάνοντας την θερμοκρασία του.

5. Το μέσο οδηγείται πάλι στον συμπιεστή και ο κύκλος επαναλαμβάνεται.

Με τον παραπάνω κύκλο θερμότητα μεταφέρεται από τον χώρο με χαμηλή θερμοκρασία TC στον χώρο με την υψηλή θερμοκρασία ΤΗ.